

◆技术参数
1 | 型号 | SQ-75W | |
2 | 基本频率 | 75~95Hz | |
3 | 出口处声强 | ≥147dB | |
3 | 工作温度 | N | -196℃≤t≤350℃ |
H | 350℃≤t≤650℃ | ||
G | 650℃≤t≤1000℃ | ||
4 | 供气气源 | ≥0.7MPa | |
5 | 工作气源压力 | 0.3~0.7MPa | |
6 | 耗气量 | 2.95 m3/min | |
7 | 声波作用范围 | 一般作用范围:直径D≤6m,长度L≤15m, | |
8 | 声能器材料 | 发声体材料为不锈钢,膜片材料为钛合金 | |
9 | 参考重量 | ≤87kg | |
◆应用场合
用于烧结机机头、机尾静电除尘器、布袋除尘器等,火力发电厂、电站锅炉系统过热器、省煤器、SCR反应器、空气预热器等。
◆产品用途
1. 有效清除电除尘器入口均流板积灰,保持均流孔干净、畅通,合理分配入口气流, 优化除尘效率。
2. 有效清除热交换器及冷却器排管内积灰,提高热交换交率,降低冷却器出口温度。
◆安装方式
◇顶装式或侧装式
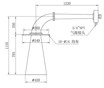
设备顶部开孔尺寸为Ф440,设备侧壁开孔尺寸为Ф465。SQ-75W型亚美体育的安装套尺寸为Ф460×700,与设备顶部为骑座式焊接或与设备侧壁为插入式焊接,如下图所示。


◆选型说明
1. 每台亚美体育出厂时均配带气路控制箱1台、连接软管1件及安装附件等1套。
2. DN25(1″)钢管及控制电缆(RVV2×1.0)由用户自备,长度视现场安装距离确定。
3. 根据亚美体育的数量确定电控单元的型号。
亚美体育应用可行性报告
目前国内相关厂家使用的电除尘器初期效率较高,随着运行时间的延长,电除尘器的除尘效率普遍下降,能耗增加,粉尘不能达到排放标准。电除尘器效率下降的主要原因是电极板集灰。而电除尘器大多数采用机械振打清灰,在初期可以保证清灰效果,随着时间的推移,板线挂灰不断增加导致自身重量增加,振打加速度变小,且衰减很快,清灰效果不断减弱。机械振打故障率较高,出现故障后需停机处理,影响除尘效率和设备运转率。从运行上看,电场电压较投产初期大大下降。特别是高比电阻粉尘到达极板后电荷不能顺利的释放而粘附在极板上,若清灰不良,粉尘越积越厚,除尘效率大大下降,造成排放超标。电除尘器采用了声波清灰技术并得到广泛应用。
电除尘器除尘技术分为两部分,截留和清灰;截留就是通过高压放电,使氧分子成为氧离子,氧离子粘附在灰粒子上,使灰粒子带电(负电荷),带电灰粒子通过阳极板的通道时,根据库隆定律的正负粒子相吸原理和规律被带正电荷的阳极板所吸附截留(部分带正电荷的灰粒子被阴极线吸附截留);电除尘器阳极板截留的灰达到一定厚度时,截留功能将消失(阴极线的放电部分吸附粒子太厚会影响放电或失去放电功能),这就出现了清灰的问题;电除尘器的阳极板、阴极线传统清灰技术和设备多为机械振打,传统的机械振打在排放要求不高的过去,还是一种很好的技术和设备,现在已不能满足要求!在满足新形势需要的新的清灰技术和设备、工艺应用之前,声波(传播介质
为空气的声波)辅助清灰是一种很好的技术和选择,声波辅助清灰可以使电除尘器恢复除尘效率,达标排放
声波清灰(疏通)设备的功能不仅完全包含所有传统疏通设备的功能,而且各单项性能远远超过传统疏通设备:(1)、与灰斗、料仓相接的声波导管可以将低频声波的波动能量直接传至灰斗、料仓的外壁,使外壁产生百余赫兹的振动,应用共振或准共振技术,其振动加速度可以远远超过仓壁震荡器;(2)声波清灰设备和空气炮都是气-声转换装置,a、波形:声波清灰设备产生的声波是连续、稳态的正弦波,而空气炮则是单个锯齿波;b、能量:几乎所有声波清灰设备的声波能量均超过空气炮的脉冲声波能量;c、气流速度:空气炮的峰值速度高于声波清灰设备;(3)、一般情况下,声波清灰设备的安装位置应在容易搭桥部位的下部,当卸料出现问题时,搭桥部位下部为空腔,声波导管的辐射口处于无阻挡状态,此时开启声波清灰设备,搭桥的拱形灰、料全部处于声场作用范围内,粘接力低的或物理堆积支撑不稳定的灰、料率先脱落,使“桥”出现空洞,并逐步成为空腔中的悬桥”,最终在声波的波动作用、声疲劳作用以及灰、料的碰撞下,被彻底破坏;
电力行业应用:
通过某发电公司二号炉电气除尘使用亚美体育在电气除尘器上应用试验、运行、分析及最终效果,使这一问题得到有效解决。
应用实例:某第二发电公司,二号炉,装有某电集团生产,2FAA3×45M-2×72双室三电场电气除尘器。该除尘器投运后,经测试除尘器效率低于一号炉,一号炉排放量为48.15Kg/h,二号炉烟尘排放量为102.4Kg/h。二号炉电除尘——排烟温度144-148℃,过剩空气系数1.3,排烟烟尘浓度129.6mg/Nm³。振打锤在检修后运行一段时间,会部份出现松脱,对极板振打不均匀,造成除尘效率不稳定。为此经过协商,在二号炉电气除尘器B侧,安装亚美体育12台。
设备安装布置
1.在每个电场前部两侧墙面,振打装置以上一米,各安装一台,共六台。
2.在除尘器顶部平台,每个电场前部,各装两台,以清除顶部桥架横梁上的积灰,共六台。
运行周期设置
1.按原振打原则设置:12台,每台运行2.5分钟,停2.5分钟,每60分钟为一循环。
2.按电厂运行经验,一电场沉降灰量70%,灰量最大,二电场沉降灰量22%,次之,三电场沉降灰量8%,灰量最少。按此原则,一电场运行三次,二电场运行二次,三电场运行一次。
3.在以后检查中,发现三电场积灰量大,因此改为:亚美体育单台运行2分钟,一电场运行三次,二电场运行一次,三电场运行二次。
冷态试运:在冷态试运过程,两个循环后,极板上积灰基本被清除;开启人孔门检查;粘附在极板上约3-5mm厚一层粉尘,粒度极细,很难清除。
运行报表分析:在断续运行一段时期后,声波清灰装置,性能稳定。
x年3月份,二号炉电除尘声波清灰装置连续稳定运行。电除尘A侧未装亚美体育,和B侧运行亚美体育,对值班运行记录进行对比分析表明:装亚美体育的B侧,一电场和三电场,平均电流电压高于未装亚美体育的A侧;二电场无明显变化。
对3月份记录报表任意统计12天结果如下:
(1)一电场未装亚美体育A侧统计值:
日期 | 一次电流 A | 一次电压 V | 二次电流 mA | 二次电压 KV |
3月1日 | 180.5 | 243.6 | 563 | 50 |
3月2日 | 170 | 246.6 | 543 | 50 |
3月5日 | 168.5 | 238 | 487 | 54 |
3月7日 | 168 | 238 | 488 | 49 |
3月9日 | 167.8 | 237.5 | 490 | 49 |
3月13日 | 183 | 246 | 477 | 58 |
3月15日 | 176 | 273 | 552 | 62 |
3月17日 | 176 | 261 | 475 | 56 |
3月19日 | 183 | 271 | 567 | 58 |
3月21日 | 183 | 248 | 526 | 53 |
3月23日 | 188 | 247 | 580 | 50 |
3月25日 | 188 | 253 | 695 | 52 |
平均值 | 177.48 | 250.22 | 536.91 | 53.4 |
(2)一电场B侧使用亚美体育统计值:
日期 | 一次电流 A | 一次电压 V | 二次电流 mA | 二次电压 KV |
3月1日 | 206.2 | 271.4 | 577.7 | 49 |
3月2日 | 192.75 | 258.5 | 562.5 | 46.5 |
3月5日 | 181 | 241 | 515 | 48 |
3月7日 | 181 | 241 | 515 | 48 |
3月9日 | 182 | 242 | 516 | 48 |
3月13日 | 241 | 304 | 650 | 52 |
3月15日 | 240 | 305 | 647 | 50 |
3月17日 | 215 | 314 | 695 | 50 |
3月19日 | 235 | 315 | 662 | 56 |
3月21日 | 241 | 316 | 650 | 54.5 |
3月23日 | 202 | 265 | 536 | 49 |
3月25日 | 210 | 254 | 635 | 50 |
平均值 | 210.57 | 277.24 | 596.6 | 50 |
(3)一电场使用和未使用亚美体育报表统计数值比较:
项目 | 一次电流A | 一次电压V | 二次电流mA | 二次电压KV |
未使用 | 177.48 | 250.22 | 536.91 | 53.4 |
使用 | 210.57 | 277.24 | 595.6 | 50 |
差值 | +33.09 | +27.02 | + 58.89 | -3.4 |
(4)三电场A侧,未使用亚美体育时的报表统计值:
日期 | 一次电流A | 一次电压V | 二次电流mA | 二次电压KV |
3月1日 | 203 | 234.3 | 695 | 44 |
3月2日 | 202 | 237.5 | 695 | 44.5 |
3月5日 | 200 | 242 | 695 | 46 |
3月7日 | 200 | 241 | 695 | 46 |
3月9日 | 200 | 243 | 695 | 46.5 |
3月13日 | 200 | 240 | 695 | 46 |
3月15日 | 200 | 240 | 695 | 46 |
3月19日 | 200 | 239 | 695 | 47 |
3月17日 | 200 | 239 | 695 | 46 |
3月21日 | 198 | 237 | 695 | 45 |
3月23日 | 195 | 241 | 695 | 45 |
3月25日 | 201 | 242.5 | 695 | 46 |
平均值 | 199.9 | 239.69 | 695 | 45.6 |
(5)三电场B侧使用亚美体育后的报表统计值:
日期 | 一次电流A | 一次电压V | 二次电流mA | 二次电压KV |
3月1日 | 190.6 | 250.3 | 695.8 | 44.6 |
3月2日 | 192,3 | 254.5 | 695.3 | 45 |
3月5日 | 189 | 255 | 697 | 47 |
3月7日 | 188 | 255 | 697 | 47 |
3月9日 | 183 | 256 | 697 | 47 |
3月13日 | 187 | 252 | 697 | 47.5 |
3月15日 | 187 | 236 | 697 | 46.5 |
3月17日 | 189 | 270 | 697 | 46.5 |
3月19日 | 189 | 256 | 695 | 48 |
3月21日 | 192 | 258 | 695 | 46 |
3月23日 | 192 | 254 | 697 | 45 |
3月25日 | 189 | 253 | 695 | 46 |
平均值 | 189 | 254.15 | 696.16 | 46.34 |
(6)三电场使用和未使用亚美体育报表统计数值比较如下:
项目 | 一次电流A | 一次电压V | 二次电流mA | 二次电压KV |
未使用 | 199.9 | 239.69 | 695 | 45.6 |
使用 | 189 | 254.15 | 696.16 | 46.34 |
差值 | -10.5 | + 14.46 | +1.16 | +0.74 |
结论:
1.由表(3)和表(6)看出,一电场和三电场.在使用亚美体育后,总的趋势,电流电压是上升的,一电场二次电流增加58.89mA,三电场的二次电流电压都有升高;说明亚美体育运行,对电除尘运行过程中进一步清除极板和极线的积灰,发挥了作用。
2.报表统计,对二电场的电流电压无明显变化,说明亚美体育对二电场工作强度不够。
3.根据实际情况,应该适当减少电除尘顶部清灰器的循环次数,适当增加两侧六台清灰器的循环次数;以增加对极线和极板的清灰能力。